超微病理学是病理学发展而派生的重要亚学科,在研究病理组织细胞超微结构和某些疾病的诊断方面具有无可替代的地位,是临床病理诊断中必不可少的检查手段之一。北京大学医学部病理学系/北京大学第三医院电子显微镜室始建于1983年,是我国最早拥有电镜的医疗单位之一。我室的特点是以医疗、教学、科研三结合的模式全面发展,尤其在肾脏疾病、神经肌肉疾病、肿瘤的鉴别诊断、遗传代谢性疾病及病毒感染性疾病等的诊断及研究方面具有独特的优势,目前超微病理诊断水平在国内处于领先地位,并为推动国内电镜学科的发展做出了很大贡献。
1.在医疗方面,诊断专业水平高,学术影响力大,病例资源丰富
我们是国内为数不多的从事临床超微病理诊断工作的单位。拥有国内知名肾脏病专家邹万忠教授和神经病理学专家钟延丰教授,均从事电镜诊断及研究多年,技术人员齐备,在肾脏疾病、神经肌肉疾病、肿瘤、遗传代谢病及传染病的病原检测等方面尤其拥有优势。邹万忠教授在肾脏病领域的权威地位为国内外公认。我科的肾脏疾病诊断,在国内外均处于领先地位。除了上述两个电镜亚专科外,我科将电镜诊断视为常规诊断的有力补充,已经将对形态复杂的肿瘤、遗传病、慢性肝、肺疾病等进行电子显微镜观察纳入到常规病理诊断工作中。因此我科的很多医师,都不同程度地参与电镜诊断工作。
基于优良的诊断水平,我室与临床科室保持了很好的联系和协作关系,除了本院的病理诊断之外,长期以来还接受大量外院、外省市的电镜标本诊断/会诊,病例数量多,覆盖面广,包括肾、心、肝、肺穿刺、神经肌肉活检、肿瘤等多种疾病。
具体诊断项目包括:
1.脏器活检超微病理诊断,例如 :肾脏、肝脏和胰腺等穿刺组织,以及气管镜等活检组织。
2.各种肿瘤的鉴别诊断,例如:判断肿瘤细胞来源和神经内分泌肿瘤的鉴别。
3.神经肌肉疾病的诊断及分类。
4.各种腹水离心细胞的鉴别。
5.病毒感染性疾病中病原体的查找,例如:肝炎病毒、冠状病毒等。
2.在科研方面,结合基础科研,注重技术方法的创新和新技术应用
在常规透射电镜、扫描电镜技术基础上,通过电镜与分子病理学技术相结合,建立了免疫电镜技术、电镜原位杂交、电镜酶学等技术,钙、铁等无机物、纳米颗粒进入细胞的检测等。利用电镜在病毒诊断和鉴别诊断方面的优势,在重大新发传染病(如SARS、H1N1、新冠病毒等)的防治研究中发挥了很大作用。我们以超微病理做为基金课题中的重要组成部分,申请了如国家级重大课题、国家自然基金课题、卫生部及国家教委的基金课题等。部分研究工作曾获国家或部委级的科技奖项:如卫生部医药卫生科技进步奖一等奖,教育部科技进步一等奖,北京市和中华医学会科技进步二、三等奖等。同时参与及指导了校内、各附属医院及校外等相关科室的科研课题。
技术创新:本室独创的“石蜡电镜方法”获得北京大学新技术创新奖。该方法解决了很多疑难病理诊断问题,受到全国很多医院的关注和好评。
3.在教学方面,大量病例的积累,对于本科生及研究生教学提供了丰富的资源
目前,开设的超微病理内容的研究生课,如《诊断病理学基础》、《实验病理学技术》等已延续多年。指导了校内外很多相关科室研究生的研究课题。接收全国各地进修医师及技师平均5-6人/年,成为全国技术员培训基地。
4. 强大的技术平台建设
我室注重技术平台建设,技术稳定,制片速度快。以前普通透射电镜标本制作周期长,经过反复试验,目前最快常规制片可在2天完成,并已推广到附属医院各个电镜实验室实施。通过技术改进,也能将石蜡组织制成电镜标本。注重技术革新,通过电镜与分子病理学技术相结合,建立了免疫电镜技术、电镜原位杂交、电镜酶学等技术。电镜技术平台在诊断和科研中发挥了重要和不可替代的作用。
超微病理(电子显微镜)室人员组成
医师(兼职)
| 技术人员(专职)
|
正高
| 副高
| 中级
| 初级
| 副高
| 中级
| 初级
|
2
| 2
| 2
| 1
| 1
| 1
| 1
|
电子显微镜设备(JEM-2000透射电镜)

部分超微病理电镜图示例:
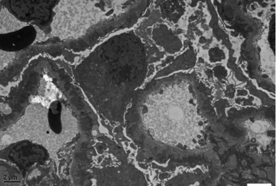
图1 肾脏病

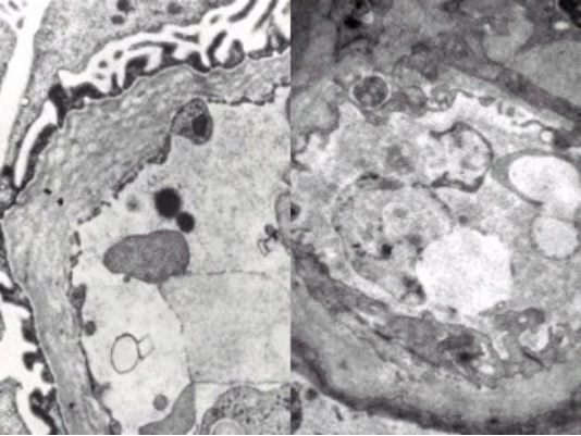
图2 神经肌肉疾病

图3 石蜡电镜技术制备的标本

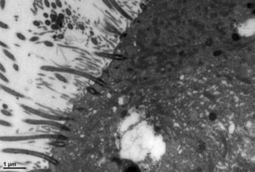
图4 A 正常气管纤毛

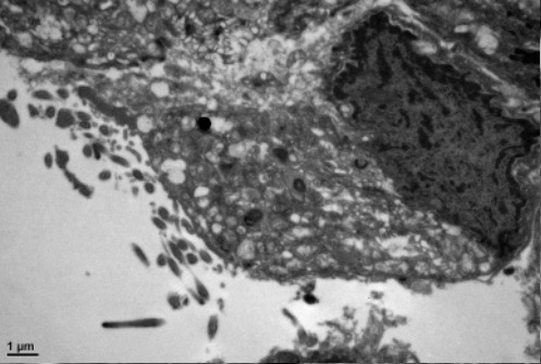
图4B 气管粘膜纤毛先天发育不良(纤毛不动症)
